Сканер штрихкода
Наведите камеру на штрихкод
Меню
Корзина 00.00 р.
    Поддержка
    • 8-800-700-65-88

    Мы работаем для вас ежедневно:

    ПН: 9:00 - 18:00

    ВТ: 9:00 - 18:00

    СР: 9:00 - 18:00

    ЧТ: 9:00 - 18:00

    ПТ: 9:00 - 18:00

    СБ: 9:00 - 18:00

    ВС: 9:00 - 18:00

    Без перерывов на обед и выходных дней!

    Поддержка в мессенджере
    MFT24
    • 8-800-700-65-88
    • Обратный звонок
      Заказать обратный звонок
      Нажимая на кнопку «Отправить», Вы даете согласие на обработку персональных данных.
    Каталог
      Поиск
      • Blog
      • Контакты
      • О нас
      • Доставка и оплата
        • Блог
      • 8-800-700-65-88
      • Обратный звонок
      Заказать обратный звонок
      Нажимая на кнопку «Отправить», Вы даете согласие на обработку персональных данных.
      MFT24
      • @Металлист
      • LV
      • Выдвижные корзины для кухни
      • Газовые лифты
      • Замки для мебели
      • Каталог
      • Крепежная фурнитура
      • Кухонные аксессуары
      • Мебельные крючки
      • Мебельные опоры
      • Мебельные петли
      • Мебельные ручки
      • Мерч и рекламная продукция
      • Навесы для шкафов
      • Поддоны для выдвижных ящиков и органайзеры
      • Полкодержатели
      • Системы выдвижения
      • Системы отталкивания и демпфирования
      • Скобяные изделия
      • Сушки для посуды
      • Трубы и штангодержатели
      • ✹ Инструменты
      • ✹ Комплектующие для кухни
      • ✹ Мебельная фурнитура
      • ✹ Отопление
      • ✹ Садовый инвентарь
      • ✹ Товары для дома
      • ✹ ТОВАРЫ МАРКЕТПЛЕЙСА
      • ✹ Дверная фурнитура
      • Torg
      Каталог
      • Комплектующие
        • Комплектующие для вентиляции
        • Комплектующие для пластиковых окон
      • Мебельная фурнитура
        • Консоли
        • Крепежные пластины мебельные
        • Кронштейны
        • Крючки вешалки
        • Мебельные колеса, ролики
        • Механизмы мебельные (трансформации, поворота)
        • Петли мебельные
        • Пластиковые опоры
        • Подвески мебельные
        • Соединители мебельные, захваты, зацепы
        • Стяжки
        • Уголки
      • Перфорированный крепеж
        • Крепежные пластины
        • Крепежные уголки
        • Опора бруса
        • Соединительные пластины
      • Скобяные изделия
        • DIN-рейки
        • Дверные крючки
        • Держатели для гардин
        • Завертки, комплектующие деревянных окон и теплиц
        • Задвижки
        • Замки
        • Краб-системы
        • Крепеж для гипсокартона
        • Кронштейны для радиаторов отопления
        • Накладки дверные
        • Петли
        • Пробой ушко
        • Пружины
        • Рожки обувные
        • Ручки
        • Скобы строительные
        • Угольники
      Раздел: 1. Лицевая фурнитура
      • Раздел: Крючки
      • Раздел: Ручки
      Раздел: 10. Опоры мебельные
      • Раздел: Опоры для корпусной мебели
      • Раздел: Опоры для столов
      • Раздел: Опоры колесные
      • Раздел: Опоры кухонные
      • Раздел: Подпятники
      Раздел: 11. Комплектующие для изготовления столов
      • Раздел: Вентиляционные решетки
      • Раздел: Фурнитура для столов
      Раздел: 12. Кроватные основания и комплектующие
      • Раздел: Основания для кроватей
      • Раздел: Подъемные механизмы и газлифты для кроватных оснований
      • Раздел: Фурнитура для кроватей
      Раздел: 13. Клей
      • Раздел: Дисперсия, клеи для древесины
      • Раздел: Клей двухкомпонентный
      • Раздел: Клей расплав
      Раздел: 14. Кромочные материалы
      • Раздел: Канты
      • Раздел: Кромка
      Раздел: 15. Пластики HPL
      • Раздел: CLEAN TOUCH
      • Раздел: Rediance
      • Раздел: SYNCHRO
      • Раздел: Дерево
      • Раздел: Камень
      • Раздел: Металлики
      • Раздел: Однотонники
      • Раздел: Фантазия
      Раздел: 16. Плитные материалы
      • Раздел: Компакт ламинат
      • Раздел: Плита ЛДСП
      • Раздел: Плита МДФ
      • Раздел: Профиль МДФ декоративный
      Раздел: 17. Фасады Раздел: 18. Рамочный профиль для фасадов
      • Раздел: Алюминиевый рамочный профиль
      • Раздел: Профиль МДФ
      • Раздел: Уплотнитель для алюминиевого рамочного профиля
      Раздел: 19. Замки для мебели
      • Раздел: Замки
      • Раздел: Ключи и декоративные накладки
      • Раздел: Магниты и защёлки
      Раздел: 2. Освещение и Электрокомпоненты
      • Раздел: Аксессуары
      • Раздел: Блоки питания
      • Раздел: Выключатели
      • Раздел: Профиль для светодиодной ленты
      • Раздел: Розетки и зарядные устройства Электронные системы управления
        • Раздел: Розетки и зарядные устройства
      • Раздел: Светильники
      • Раздел: Светодиодная лента
      • Раздел: Устройства управления
      Раздел: 20. Крепежная и соединительная фурнитура
      • Раздел: Анкерный крепеж
      • Раздел: Гвозди
      • Раздел: Дюбель
      • Раздел: Заглушки
      • Раздел: Кляймеры
      • Раздел: Крепеж сантехнический
      • Раздел: Метрический крепеж
      • Раздел: Навесы кухонные
      • Раздел: Перфокрепеж
      • Раздел: Полкодержатели
      • Показать все
      Раздел: 21. Инструменты и оборудование
      • Раздел: Биты
      • Раздел: Зажимной инструмент
      • Раздел: Измерительный инструмент
      • Раздел: Кондукторы и шаблоны
      • Раздел: Наборы инструментов
      • Раздел: Органайзеры и кейсы
      • Раздел: Отвертки и ключи
      • Раздел: Пилки для электролобзика
      • Раздел: Разное
      • Раздел: Режущий инструмент
      • Показать все
      Раздел: 22. Трубы и элементы крепления
      • Раздел: Комплектующие для труб
      • Раздел: Система Joker и UNO
      • Раздел: Трубы
      Раздел: 23. Упаковочный материал
      • Раздел: Скотч
      • Раздел: Стрейч-пленка
      • Раздел: Упаковочная лента
      Раздел: 24. Реставрационные материалы
      • Раздел: Воск мебельный и напольный
      • Раздел: Карандаши и маркеры
      • Раздел: Лак
      • Раздел: Материалы для кожи
      • Раздел: Шпатлевка мебельная
      • Раздел: Штрихи и ретуши
      Раздел: 25. Механизмы трансформации Раздел: 26. Аксессуары для ванных комнат Раздел: 27. Товары для сада и отдыха Раздел: 28. Декор
      • Раздел: Шпон натурального камня
      Раздел: 29. Рекламная продукция Раздел: 3. Гардеробные системы и системы хранения
      • Раздел: Гардеробная система
        • Раздел: Гардеробная система
      • Раздел: Домашнее хранение
      • Раздел: Каркасно-модульная система "ЛОФТ"
      • Раздел: Наполнение для шкафов
        • Раздел: Выдвижные штанги и вешала
        • Раздел: Гладильные доски
        • Раздел: Зеркала
        • Раздел: Пантографы
        • Раздел: Сетчатые полки
        • Раздел: Штанги и комплектующие
      • Раздел: Стеллажная система
      Раздел: 4. Столешницы и стеновые панели
      • Раздел: Кромка для столешниц
        • Раздел: Classic
        • Раздел: Premium
        • Раздел: Premium+
        • Раздел: Special Edition
        • Раздел: Standart-Pro
        • Раздел: Universal
      • Раздел: Мебельные щиты
        • Раздел: Classic
        • Раздел: Premium
        • Раздел: Premium+
        • Раздел: Special Edition
        • Раздел: Standart-Pro
        • Раздел: Universal
      • Раздел: Планки и комплектующие
      • Раздел: Пристеночные бортики
      • Раздел: Столешницы
        • Раздел: Коллекция столешниц Classic
        • Раздел: Коллекция столешниц Premium
        • Раздел: Коллекция столешниц Premium+
        • Раздел: Коллекция столешниц Special Edition
        • Раздел: Коллекция столешниц Standart-Pro
        • Раздел: Коллекция столешниц Universal
      Раздел: 5. Кухонные мойки и смесители
      • Раздел: Аксессуары для моек
        • Раздел: Измельчители отходов
        • Раздел: Корзинки и доски для кухонных моек
        • Раздел: Сливная арматура и фильтры
      • Раздел: Дозаторы
      • Раздел: Кухонные мойки
        • Раздел: Гранитные мойки
        • Раздел: Мойки из нержавеющей стали
      • Раздел: Смесители
      Раздел: 6. Кухонное наполнение и аксессуары
      • Раздел: Барные трубы D50 и аксессуары
      • Раздел: Выдвижные корзины
      • Раздел: Контейнеры для отходов
      • Раздел: Посудосушители, лотки
      • Раздел: Разное/кухонные аксессуары
      • Раздел: Рейлинги и комплектующие
      • Раздел: Цоколь кухонный
      Раздел: 7. Механизмы для открывания фасадов
      • Раздел: Амортизаторы
      • Раздел: Газовые лифты
      • Раздел: Кронштейны механические
      • Раздел: Петли
      • Раздел: Подъемные механизмы
      Раздел: 8. Системы выдвижения
      • Раздел: Выдвижные ящики
        • Раздел: AXIS PRO
        • Раздел: Boyard СТАРТ
        • Раздел: Firmax Newline
        • Раздел: Firmax Slimline
        • Раздел: Firmax Smartline
        • Раздел: GRASS DWD XP
        • Раздел: GRASS Nova Pro
        • Раздел: Hafele Matrix Box
        • Раздел: Hafele Moovit
        • Раздел: Hafele Moovit MX
        • Раздел: Hettich ArciTech
        • Раздел: Hettich AvanTech You
        • Раздел: Hettich Inno Tech
        • Раздел: Hettich Inno Tech Atira
        • Раздел: Modern Box
      • Раздел: Металлобоксы
      • Раздел: Направляющие
        • Раздел: Направляющие скрытого монтажа
        • Раздел: Пластиковые направляющие
        • Раздел: Роликовые направляющие
        • Раздел: Шариковые направляющие
      Раздел: 9. Шкафные системы: раздвижные и складные двери
      • Раздел: Классические двери-купе Аристо
      • Раздел: ПРОФИАЛ
      • Раздел: Прочие комплектующие
      • Раздел: Системы GTV
      • Раздел: Системы Hafele
        • Раздел: Hangroller 50
        • Раздел: Slido Classic
        • Раздел: Slido Eclipse
        • Раздел: Фурнитура для поворотных дверей
      • Раздел: Системы Hettich
        • Раздел: Slide Line
        • Раздел: SysLine
        • Раздел: Top Line
        • Раздел: Wing Line
        • Раздел: КА 5740
      • Раздел: Системы Аристо
        • Раздел: Grace Aristo
        • Раздел: Nova Aristo
        • Раздел: QB
        • Раздел: Slim line, Slim Max
        • Раздел: Система 4 в 1
        • Раздел: Система БРАВО
        • Раздел: Система СТАНДАРТ
        • Раздел: Система ЭКО
      • Раздел: СКМ и Дабл, CT-147 и CT-148
      Мебельная фурнитура Перфорированный крепеж Скобяные изделия
      • Петли
        • Петли-стрелы
      • Ручки
      Метизы Стяжки
      Амортизаторы и толкатели Магнитные держатели
      Замки
      Трубы Штангодержатели
      ✹ Автомобильный инструмент
      • ✹ Аксессуары автомобильные
        • ✹ Антибуксы
        • ✹ Ареометры
        • ✹ Воронки
        • ✹ Держатели телефонов и планшетов
        • ✹ Канистры для топлива
        • ✹ Пакеты для шин
        • ✹ Провода стартовые
        • ✹ Резинки багажные
        • ✹ Ремни багажные
        • ✹ Салфетки и губки
        • ✹ Тросы буксировочные
        • ✹ Удобства в автомобиле
        • ✹ Щетки стеклоочистителя
      • ✹ Домкраты
        • ✹ Домкраты гидравлические бутылочные
        • ✹ Домкраты гидравлические подкатные
        • ✹ Домкраты механические бутылочные
        • ✹ Домкраты реечные
        • ✹ Домкраты ромбовые
        • ✹ Домкраты электрогидравлические
      • ✹ Компрессоры автомобильные
      • ✹ Лебедки автомобильные
      • ✹ Масленки
      • ✹ Мебель гаражная
      • ✹ Насосы гидравлические
      • ✹ Пневмоинструмент
        • ✹ Гайковерты пневматические
        • ✹ Дрели пневматические
        • ✹ Заклепочники пневматические
        • ✹ Краскораспылители
        • ✹ Молотки пневматические
        • ✹ Нейлеры пневматические
        • ✹ Пистолеты пневматические
        • ✹ Пневмоинструмент (аксессуары)
        • ✹ Степлеры пневматические
        • ✹ Трещотки пневматические
        • ✹ Хоппер ковши
        • ✹ Шлифовальные машины
        • ✹ Шуруповерты пневматические
      • ✹ Поддоны для сбора масла
      • ✹ Подставки под машину регулируемые
      • Показать все
      ✹ Измерительный инструмент
      • ✹ Гидроуровни
      • ✹ Дальномеры
      • ✹ Измерительные колеса
      • ✹ Линейки
      • ✹ Микрометры
      • ✹ Рулетки
      • ✹ Рулетки геодезические
      • ✹ Угольники
      • ✹ Уровни
        • ✹ Уровни алюминиевые
        • ✹ Уровни пластмассовые
      • ✹ Уровни лазерные
        • ✹ Аксессуары для лазерных уровней
      • Показать все
      ✹ Крепежный инструмент
      • ✹ Гвозди для мебельного степлера
      • ✹ Дюбели
      • ✹ Дюбель-гвозди
      • ✹ Заклепки
      • ✹ Заклепочники
      • ✹ Крепеж перфорированный
        • ✹ Анкеры регулируемые
        • ✹ Кляймеры
        • ✹ Крабы соединительные
        • ✹ Ленты
        • ✹ Мебельный крепеж
        • ✹ Опоры бруса
        • ✹ Пластины
        • ✹ Подвесы
        • ✹ Проушины прямы
        • ✹ Проушины угловые
        • ✹ Уголки
      • ✹ Кронштейны
        • ✹ Кронштейны декоративные
        • ✹ Кронштейны угловые
        • ✹ Кронштейны усиленные
      • ✹ Наборы крепежных изделий
      • ✹ Проволока
        • ✹ Проволока из нержавеющей стали
        • ✹ Проволока с ПВХ покрытием
        • ✹ Проволока стальная оцинкованная
      • ✹ Саморезы
      • Показать все
      ✹ Отделочный инструмент
      • ✹ Аксессуары для плиткорезов
      • ✹ Валики
        • ✹ Бюгели
        • ✹ Валики игольчатые
        • ✹ Валики прижимные
        • ✹ Валики с ручкой
        • ✹ Шубки для валиков
      • ✹ Ведра строительные
      • ✹ Гладилки
      • ✹ Захваты строительные
      • ✹ Инструмент для затирки швов
      • ✹ Инструмент для нанесения декоративных покрытий
      • ✹ Инструмент по газо и пенобетону
      • ✹ Инструмент по гипсокартону
      • ✹ Карандаши строительные
      • Показать все
      ✹ Прочий инструмент
      • ✹ Горелки газовые
      • ✹ Замки
        • ✹ Навесные
        • ✹ Накладные и врезные
        • ✹ Тросовые и цепные
      • ✹ Изделия канатно-веревочные
        • ✹ Веревки
        • ✹ Канаты
        • ✹ Наборы шпагатов
        • ✹ Нити
        • ✹ Фалы
        • ✹ Шнуры
        • ✹ Шпагаты
      • ✹ Инструмент для пайки
        • ✹ Выжигатели по дереву
        • ✹ Материалы и принадлежности для пайки
        • ✹ Наборы для пайки
        • ✹ Наборы пинцетов
        • ✹ Пасты
        • ✹ Паяльники электрические
        • ✹ Припой
      • ✹ Инструмент для прочистки труб
      • ✹ Клеевые пистолеты
      • ✹ Клеевые стержни
      • ✹ Лампы паяльные, керосиновые
      • ✹ Лестницы
      • ✹ Лупы
      • Показать все
      ✹ Режущий инструмент
      • ✹ Болторезы и труборезы
        • ✹ Болторезы
        • ✹ Труборезы
      • ✹ Буры и насадки для перфоратора
        • ✹ Буры
        • ✹ Коронки
        • ✹ Насадки
      • ✹ Диски алмазные отрезные
      • ✹ Диски пильные
      • ✹ Диски универсальные
      • ✹ Круги и диски абразивные
        • ✹ Круги абразивные на ворсовой подложке
        • ✹ Круги и диски полировальные
        • ✹ Круги лепестковые радиальные (с оправкой)
        • ✹ Круги лепестковые торцевые
        • ✹ Круги отрезные и зачистные армированные
        • ✹ Круги шлифовальные гибкие
        • ✹ Круги шлифовальные для точила
        • ✹ Треугольники абразивные на ворсовой подложке
      • ✹ Ленты абразивные (для шлифмашин)
      • ✹ Насадки для многофункционального инструмента (МФИ)
      • ✹ Ножи
        • ✹ Лезвия для ножей
        • ✹ Ножи для резки напольных покрытий
        • ✹ Ножи для резки обоев
        • ✹ Ножи для резки теплоизоляции
        • ✹ Ножи кухонные
        • ✹ Ножи строительные
        • ✹ Ножи туристические
      • ✹ Ножи для электрических рубанков
      • Показать все
      ✹ Силовое оборудование
      • ✹ Аккумуляторный инструмент
        • ✹ Батареи аккумуляторные
        • ✹ Гайковерты ударные аккумуляторные
        • ✹ Дрели-шуруповерты аккумуляторные
        • ✹ Зарядные устройства
        • ✹ Лобзики аккумуляторные
        • ✹ Машинки для укладки плитки
        • ✹ МФИ аккумуляторные
        • ✹ Отвертки аккумуляторные
        • ✹ Перфораторы аккумуляторные
        • ✹ Сабельные пилы аккумуляторные
        • ✹ УШМ аккумуляторные
        • ✹ Циркулярные пилы аккумуляторные
        • ✹ Шлифовальные машины аккумуляторные
      • ✹ Аксессуары для бензорезов
      • ✹ Аксессуары для бетоносмесителей
        • ✹ Венцы
        • ✹ Ремни
        • ✹ Чехлы
        • ✹ Шестерни
      • ✹ Аксессуары для виброплит
      • ✹ Аксессуары для генераторов
      • ✹ Аксессуары для измельчителей садовых
        • ✹ Ножи сменные
      • ✹ Аксессуары для моечных машин высокого давления
      • ✹ Аксессуары для мотобуров
        • ✹ Удлинители для шнеков
        • ✹ Шнеки
      • ✹ Аксессуары для насосов
      • ✹ Аксессуары для сварки
        • ✹ Горелки сварочные
        • ✹ Держатели электродов
        • ✹ Клеммы
        • ✹ Наконечники токосъемные
        • ✹ Подающие ролики
        • ✹ Сопла газовые
        • ✹ Фиксаторы магнитные
        • ✹ Цангодержатели
        • ✹ Электроды
      • Показать все
      ✹ Слесарный инструмент
      • ✹ Биты
        • ✹ Адаптеры и переходники
        • ✹ Биты наборы
        • ✹ Биты с торцевыми головками
      • ✹ Бокорезы, кусачки
      • ✹ Воротки, удлинители, переходники
        • ✹ Воротки
        • ✹ Переходники
        • ✹ Шарниры карданные
      • ✹ Выколотки
      • ✹ Головки сменные
        • ✹ Головки многоразмерные
        • ✹ Головки с битой
        • ✹ Головки свечные
        • ✹ Головки торцевые
        • ✹ Головки ударные
        • ✹ Головки удлиненные
      • ✹ Длинногубцы
        • ✹ Длинногубцы изогнутые
        • ✹ Длинногубцы прямые
        • ✹ Длинногубцы, двойной рычажный механизм
      • ✹ Зажимы с фиксатором
      • ✹ Зубила
      • ✹ Инструменты для зачистки и обжима
      • ✹ Киянки
        • ✹ Киянки деревянные
        • ✹ Киянки резиновые
      • Показать все
      ✹ Столярный инструмент
      • ✹ Верстаки
      • ✹ Долота и стамески
        • ✹ Долота-стамески
        • ✹ Долота-стамески наборы
        • ✹ Стамески
        • ✹ Стамески наборы
      • ✹ Кирки
      • ✹ Ломы и гвоздодеры
        • ✹ Гвоздодеры
        • ✹ Ломы строительные
      • ✹ Ножовки
        • ✹ Ножовки по гипсокартону
        • ✹ Ножовки по дереву
        • ✹ Ножовки по пенобетону
      • ✹ Пилы
      • ✹ Резцы по дереву
      • ✹ Струбцины
        • ✹ Струбцины F-образные
        • ✹ Струбцины G-образные
        • ✹ Струбцины клещеобразные
        • ✹ Струбцины ленточные
        • ✹ Струбцины угловые
        • ✹ Стурбцины быстрозажимные
      • ✹ Стусла
        • ✹ Пилы для стусла
        • ✹ Полотна для прецизионного стусла
        • ✹ Стусла пластиковые
        • ✹ Стусла прецизионные
      • ✹ Топоры и колуны
        • ✹ Колуны
        • ✹ Рукоятки для колунов
        • ✹ Топорища
        • ✹ Топоры
      ✹ Бокалодержатели ✹ Выкатные корзины
      ✹ Лотки для столовых приборов ✹ Сушки для посуды
      Стяжки ✹ Амортизаторы и толкатели ✹ Крепежная фурнитура
      • ✹ Кронштейны для полок
      • ✹ Мебельные магниты
      ✹ Крючки мебельные
      ✹ Мебельные замки ✹ Навесы мебельные ✹ Направляющие мебельные ✹ Опоры для столов
      ✹ Опоры колесные ✹ Опоры мебельные ✹ Петли мебельные
      • ✹ Петли для стекла
      • ✹ Петли карточные
      • ✹ Петли мебельные четырехшарнирные
      • ✹ Петли секретерная
      ✹ Подъемные механизмы ✹ Ручки мебельные
      • ✹ Ручки мебельные скобы
      • ✹ Ручки мебельные-кнопки
      - Радиаторы отопления
      • ЗАЩИТНЫЕ ЭКРАНЫ И КРОНШТЕЙНЫ ДЛЯ РАДИАТОРОВ
      • КОМПЛЕКТУЮЩИЕ ДЛЯ РАДИАТОРОВ ОТОПЛЕНИЯ
      БАКИ РАСШИРИТЕЛЬНЫЕ ВОЗДУХООТВОДЧИКИ И ГРУППЫ БЕЗОПАСНОСТИ ТЕПЛЫЙ ПОЛ (ЭЛЕКТРИЧЕСКИЙ) УЗЛЫ ПОДКЛЮЧЕНИЯ, ВЕНТИЛИ, РЕГУЛЯТОРЫ ТЕМПЕРАТУРЫ
      ✹ Адаптеры, переходники
      • ✹ Адаптеры алюминиевые
      • ✹ Адаптеры латунные
      • ✹ Адаптеры пласмассовые
      • ✹ Муфты алюминиевые
      • ✹ Муфты латунные
      • ✹ Муфты пластмассовые
      • ✹ Переходники латунные
      • ✹ Переходники пластмассовые
      • ✹ Разветвители латунные
      • ✹ Разветвители пластмассовые
      • Показать все
      ✹ Баки ✹ Буры садовые
      • ✹ Буры лопастные
      • ✹ Буры шнековые
      • ✹ Удлинители
      ✹ Ведра, тазы оцинкованные
      • ✹ Ведра оцинкованные
      • ✹ Тазы оцинкованные
      ✹ Вилы
      • ✹ Вилы садово-огородные
      • ✹ Вилы сенные
      ✹ Воздуходувки
      • ✹ Воздуходувки аккумуляторные
      • ✹ Воздуходувки бензиновые
      ✹ Газонокосилки
      • Газонокосилки аккумуляторные
      • ✹ Газонокосилки аккумуляторные
      • ✹ Газонокосилки бензиновые
      • ✹ Газонокосилки электрические
      • ✹ Ножи для газонокосилок
      ✹ Грабли
      • ✹ Грабли веерные
      • ✹ Грабли классические
      ✹ Дровоколы ✹ Душ садовый ✹ Зонты ✹ Измельчители ✹ Кашпо
      • ✹ Вкладыши
      • ✹ Кашпо подвесные
      • ✹ Кашпо пристенные
      • ✹ Кронштейны для кашпо
      • ✹ Цепочки для кашпо
      ✹ Колеса промышленные ✹ Косы
      • ✹ Комплектующие для кос
      • ✹ Косы-литовки
      • ✹ Косы-секачи
      • ✹ Косы-серпаны
      ✹ Культиваторы, аэраторы ✹ Ледоступы, ледянки ✹ Лейки ✹ Ленты для тапенеров
      ✹ Лопаты
      • Лопаты автомобильные, походные
      • ✹ Лопаты автомобильные, походные
      • ✹ Лопаты без черенка
      • ✹ Лопаты с деревянным черенком
      • ✹ Лопаты с металлическим черенком
      • ✹ Лопаты с фибергласовым черенком
      ✹ Мачете ✹ Мебель для пикника ✹ Мелкий садовый инструмент
      • ✹ Конусы посадочные
      • ✹ Корнеудалители
      • ✹ Мотыжки
      • ✹ Наборы мелкого садового инструмента
      • ✹ Рыхлители
      • ✹ Серия Classic
      • ✹ Серия Connect
      • ✹ Серия Era
      • ✹ Серия Ergo
      • ✹ Серия Flower green
      • Показать все
      ✹ Метлы, веники
      • ✹ Веники
      • ✹ Метлы
      ✹ Мотыги, полольники, кетмени
      • ✹ Кетмени
      • ✹ Мотыги из нержавеющей стали
      • ✹ Мотыги стальные
      • ✹ Полольники
      ✹ Наборы тапенеров ✹ Насадки для полива
      • ✹ Дождеватели
      • ✹ Наборы
      • ✹ Пистолеты - распылители
      • ✹ Распылители
      • ✹ Распылители на штанге
      ✹ Настенные держатели ✹ Ножи садовые
      • ✹ Копулировочные
      • ✹ Универсальные
      ✹ Ножницы садовые
      • ✹ Газонные ножницы
      • ✹ Кусторезы
      • ✹ Садовые ножницы и кусторезы аккумуляторные
      ✹ Ножовки, пилы садовые ✹ Одежда, защита рук
      • ✹ Перчатки хозяйственные
      • ✹ Плащи-дождевики
      • ✹ Рукавицы
      • ✹ Садовые перчатки
      • ✹ Шапки
      ✹ Опрыскиватели
      • ✹ Опрыскиватели аккумуляторные
      • ✹ Опрыскиватели бензиновые
      • ✹ Опрыскиватели ручные
      ✹ Парники, теплицы
      • ✹ Комплектующие к парникам
      • ✹ Парники
      ✹ Пленки, укрывные материалы
      • ✹ Защита
      • ✹ Колышки
      • ✹ Пленка
      • ✹ Укрывной материал
      ✹ Плоскорезы ✹ Приготовление пищи
      • ✹ Аксессуары
      • ✹ Барбекю
      • ✹ Коптильни
      • ✹ Мангалы
      • ✹ Решетки-гриль
      • ✹ Топливо
      • ✹ Шампуры
      ✹ Приспособления для рассады
      ✹ Разбрасыватели удобрений ✹ Садовые аксессуары ✹ Садовые ограждения
      • ✹ Арки садовые
      • ✹ Бордюрные ленты
      • ✹ Бордюры садовые
      • ✹ Заборы декоративные
      • ✹ Кустодержатели
      • ✹ Опоры для поддержки веток деревьев
      • ✹ Опоры для растений
      • ✹ Опоры для цветов
      • ✹ Поддержки для растений
      • ✹ Решетки заборные
      • Показать все
      ✹ Секаторы
      • ✹ Для топиария и бонсай
      • ✹ Прививочные
      • ✹ Секаторы аккумуляторные
      • ✹ Цветочные
      ✹ Серпы ✹ Сетки газонные ✹ Сеялки ✹ Скарификаторы ✹ Скобы для тапенеров ✹ Снегоуборочный инвентарь
      • ✹ Водосгоны для пола
      • ✹ Движки, скреперы
      • ✹ Ледорубы, скребки
      • ✹ Лопаты снеговые автомобильные
      • ✹ Лопаты снеговые без черенка
      • ✹ Лопаты снеговые с черенком
      ✹ Сучкорезы
      • ✹ Прямого реза
      • ✹ С наковальней
      • ✹ Штанговые
      ✹ Таймеры для полива ✹ Тапенеры ✹ Тачки, тележки, носилки
      • ✹ Колеса и камеры для тачки
      • ✹ Носилки
      • ✹ Тачки
      • ✹ Тележки
      ✹ Товары для пикника
      • ✹ Аккумуляторы холода
      • ✹ Бутылки
      • ✹ Наборы посуды
      • ✹ Стаканы
      • ✹ Термосумки
      ✹ Триммеры
      • ✹ Аксессуары для триммеров
      • ✹ Диски для триммеров
      • ✹ Катушки для триммеров
      • ✹ Леска для триммеров
      • ✹ Триммеры аккумуляторные
      • ✹ Триммеры бензиновые
      • ✹ Триммеры электрические
      ✹ Умывальники ✹ Цветочные горшки ✹ Черенки, рукоятки
      • ✹ Рукоятки
      • ✹ Черенки без резьбы
      • ✹ Черенки с резьбой
      ✹ Шланги, катушки
      • ✹ Катушки для шлангов
      • ✹ Шланги
      ✹ Декор для дома
      • Вазы
      • Предметы декора для интерьера
        • Фоторамки
        • Шкатулки и держатели для украшений
      • ✹ Аромадиффузоры и свечи
      • ✹ Искусственные цветы и сухоцветы
      • ✹ Часы
      ✹ Домашнее хранение
      • ✹ Пластиковые короба и корзины
      ---МП__ОФИСНЫЕ КОЛЕСА Детские товары
      • Безопасность ребенка
        • Защитный уголок
      Дом и сад
      • Аксессуары для бани и ванной
        • Держатель для полотенец
        • Держатель для туалетной бумаги
        • Крючок для ванной
      • Аксессуары для приготовления пищи
        • Держатель кухонный
      • Вешалки для одежды
        • Крючок для одежды
      • Декор и интерьер
        • Стоппер для двери
        • Цифры для двери
      • Хранение вещей
        • Органайзер для вещей
      • Шторы и карнизы
        • Аксессуар для штор
      Канцелярские товары
      • Канцелярия
        • Подставка для ручек, карандашей
      Красота и гигиена
      • Инструменты для макияжа, маникюра, бани и солярия
        • Брашинг
        • Зеркало косметическое
        • Маникюрные щипцы
        • Набор инструментов для маникюра
        • Ножницы маникюрные
        • Пилка для маникюра
      Мебель
      • Мебельная фурнитура и комплектующие
        • Держатель для полки
      Строительство и ремонт
      • Арматура и аксессуары для сантехники
        • Фильтр для душа
      • Грузоподъемное оборудование
        • Колесо промышленное
      • Крепеж и фурнитура
        • Комплектующие для москитных сеток
      • Ручки, замки и фурнитура
        • Газлифт мебельный
        • Задвижка
        • Замок
        • Мебельное колесо
        • Направляющие
        • Ножка для мебели
        • Петля мебельная
        • Протектор для мебели
        • Ручка мебельная
      • Смесители и душевые системы
        • Лейка для душа
        • Шланг для душа
      Электроника
      • Кронштейны
        • Кронштейн для монитора
        • Кронштейн для ТВ
        • Подставка для ноутбука
      ✹ Глазки дверные ✹ Дверные доводчики
      • ✹ Гидравлические дверные доводчики
      • ✹ Дверные доводчики с скользящей тягой
      • ✹ Комплектующие к дверным доводчикам
      • ✹ Пружинные и пневматические дверные доводчики
      ✹ Дверные замки, механизмы
      • ✹ Задвижки для межкомнатных дверей
      • ✹ Замки врезные на деревянные двери
      • ✹ Замки врезные на китайские двери
      • ✹ Замки врезные на металлические двери
      • ✹ Замки межкомнатные
      • ✹ Замки накладные для деревянных дверей
      • ✹ Замки накладные на металлические двери
      • ✹ Замки противопожарные, антипаника
      • ✹ Замки узкопрофильные
      • ✹ Замки электромеханические
      • Показать все
      ✹ Дверные петли
      • ✹ Дверные петли для деревянных дверей
      • ✹ Дверные петли приварные
      • ✹ Петли для финских дверей
      • ✹ Петли-стрелы
      ✹ Дверные ручки
      • ✹ Дверные ручки для Китайских дверей
      • ✹ Дверные ручки для ПВХ дверей
      • ✹ Дверные ручки защелки
      • ✹ Дверные ручки комплектом межкомнатные
      • ✹ Дверные ручки на планке
      • ✹ Дверные ручки раздельные
      • ✹ Дверные ручки-кнопки
      • ✹ Дверные ручки-скобы
      • ✹ Дверные ручки комплектом
      • ✹ Ручки для финских дверей
      ✹ Замки навесные
      • ✹ Багажные навесные замки
      • ✹ Замки велосипедные тросовые
      • ✹ Замки влагозащищенные
      • ✹ Замки общего назначения
      • ✹ Замки с мастер-ключ системой
      ✹ Засовы и задвижки ✹ Комплектующие к дверным ручкам
      • ✹ Завертки к дверным ручкам
      • ✹ Накладка на сувальдные замки
      • ✹ Накладка на цилиндровые замки
      ✹ Ограничители, стопперы ✹ Ответные планки для замков и защелок
      ✹ Почтовые замки ✹ Цилиндровые механизмы
      • ✹ Цилиндровые механизмы для китайских дверей
      • ✹ Цилиндровые механизмы для накладных замков
      • ✹ Цилиндровые механизмы Ключ-Вертушка
      • ✹ Цилиндровые механизмы Ключ-Ключ
      • ✹ Цилиндровые механизмы сантехнические
      • ✹ Цилиндровые механизмы со штоком
      ✹ Цифры дверные ✹ Ящики почтовые
      Главная
      • Каталог товаров промышленного назначения
        • Колеса и колесные опоры
        • Кухонные аксессуары
        • Лестницы
        • Мебельная фурнитура
        • Мойки из нержавейки
        • Системы на основе труб
        • Складское оборудование и техника
        • СПЕЦ Колеса
      Каталог
      • Мебельная фурнитура
      Мебельная фурнитура
      Корзина 00.00 р.
      Корзина
      Ваша корзина пуста!
      • ✹ Дверная фурнитура
        ✹ Глазки дверные ✹ Дверные доводчики
        • ✹ Гидравлические дверные доводчики
        • ✹ Дверные доводчики с скользящей тягой
        • ✹ Комплектующие к дверным доводчикам
        • ✹ Пружинные и пневматические дверные доводчики
        ✹ Дверные замки, механизмы
        • ✹ Задвижки для межкомнатных дверей
        • ✹ Замки врезные на деревянные двери
        • ✹ Замки врезные на китайские двери
        • ✹ Замки врезные на металлические двери
        • ✹ Замки межкомнатные
        • ✹ Замки накладные для деревянных дверей
        • ✹ Замки накладные на металлические двери
        • ✹ Замки противопожарные, антипаника
        • ✹ Замки узкопрофильные
        • ✹ Замки электромеханические
        • Показать все
        ✹ Дверные петли
        • ✹ Дверные петли для деревянных дверей
        • ✹ Дверные петли приварные
        • ✹ Петли для финских дверей
        • ✹ Петли-стрелы
        ✹ Дверные ручки
        • ✹ Дверные ручки для Китайских дверей
        • ✹ Дверные ручки для ПВХ дверей
        • ✹ Дверные ручки защелки
        • ✹ Дверные ручки комплектом межкомнатные
        • ✹ Дверные ручки на планке
        • ✹ Дверные ручки раздельные
        • ✹ Дверные ручки-кнопки
        • ✹ Дверные ручки-скобы
        • ✹ Дверные ручки комплектом
        • ✹ Ручки для финских дверей
        ✹ Замки навесные
        • ✹ Багажные навесные замки
        • ✹ Замки велосипедные тросовые
        • ✹ Замки влагозащищенные
        • ✹ Замки общего назначения
        • ✹ Замки с мастер-ключ системой
        ✹ Засовы и задвижки ✹ Комплектующие к дверным ручкам
        • ✹ Завертки к дверным ручкам
        • ✹ Накладка на сувальдные замки
        • ✹ Накладка на цилиндровые замки
        ✹ Ограничители, стопперы ✹ Ответные планки для замков и защелок
        ✹ Почтовые замки ✹ Цилиндровые механизмы
        • ✹ Цилиндровые механизмы для китайских дверей
        • ✹ Цилиндровые механизмы для накладных замков
        • ✹ Цилиндровые механизмы Ключ-Вертушка
        • ✹ Цилиндровые механизмы Ключ-Ключ
        • ✹ Цилиндровые механизмы сантехнические
        • ✹ Цилиндровые механизмы со штоком
        ✹ Цифры дверные ✹ Ящики почтовые
      • ✹ Садовый инвентарь
        ✹ Адаптеры, переходники
        • ✹ Адаптеры алюминиевые
        • ✹ Адаптеры латунные
        • ✹ Адаптеры пласмассовые
        • ✹ Муфты алюминиевые
        • ✹ Муфты латунные
        • ✹ Муфты пластмассовые
        • ✹ Переходники латунные
        • ✹ Переходники пластмассовые
        • ✹ Разветвители латунные
        • ✹ Разветвители пластмассовые
        • Показать все
        ✹ Баки ✹ Буры садовые
        • ✹ Буры лопастные
        • ✹ Буры шнековые
        • ✹ Удлинители
        ✹ Ведра, тазы оцинкованные
        • ✹ Ведра оцинкованные
        • ✹ Тазы оцинкованные
        ✹ Вилы
        • ✹ Вилы садово-огородные
        • ✹ Вилы сенные
        ✹ Воздуходувки
        • ✹ Воздуходувки аккумуляторные
        • ✹ Воздуходувки бензиновые
        ✹ Газонокосилки
        • Газонокосилки аккумуляторные
        • ✹ Газонокосилки аккумуляторные
        • ✹ Газонокосилки бензиновые
        • ✹ Газонокосилки электрические
        • ✹ Ножи для газонокосилок
        ✹ Грабли
        • ✹ Грабли веерные
        • ✹ Грабли классические
        ✹ Дровоколы ✹ Душ садовый ✹ Зонты ✹ Измельчители ✹ Кашпо
        • ✹ Вкладыши
        • ✹ Кашпо подвесные
        • ✹ Кашпо пристенные
        • ✹ Кронштейны для кашпо
        • ✹ Цепочки для кашпо
        ✹ Колеса промышленные ✹ Косы
        • ✹ Комплектующие для кос
        • ✹ Косы-литовки
        • ✹ Косы-секачи
        • ✹ Косы-серпаны
        ✹ Культиваторы, аэраторы ✹ Ледоступы, ледянки ✹ Лейки ✹ Ленты для тапенеров
        ✹ Лопаты
        • Лопаты автомобильные, походные
        • ✹ Лопаты автомобильные, походные
        • ✹ Лопаты без черенка
        • ✹ Лопаты с деревянным черенком
        • ✹ Лопаты с металлическим черенком
        • ✹ Лопаты с фибергласовым черенком
        ✹ Мачете ✹ Мебель для пикника ✹ Мелкий садовый инструмент
        • ✹ Конусы посадочные
        • ✹ Корнеудалители
        • ✹ Мотыжки
        • ✹ Наборы мелкого садового инструмента
        • ✹ Рыхлители
        • ✹ Серия Classic
        • ✹ Серия Connect
        • ✹ Серия Era
        • ✹ Серия Ergo
        • ✹ Серия Flower green
        • Показать все
        ✹ Метлы, веники
        • ✹ Веники
        • ✹ Метлы
        ✹ Мотыги, полольники, кетмени
        • ✹ Кетмени
        • ✹ Мотыги из нержавеющей стали
        • ✹ Мотыги стальные
        • ✹ Полольники
        ✹ Наборы тапенеров ✹ Насадки для полива
        • ✹ Дождеватели
        • ✹ Наборы
        • ✹ Пистолеты - распылители
        • ✹ Распылители
        • ✹ Распылители на штанге
        ✹ Настенные держатели ✹ Ножи садовые
        • ✹ Копулировочные
        • ✹ Универсальные
        ✹ Ножницы садовые
        • ✹ Газонные ножницы
        • ✹ Кусторезы
        • ✹ Садовые ножницы и кусторезы аккумуляторные
        ✹ Ножовки, пилы садовые ✹ Одежда, защита рук
        • ✹ Перчатки хозяйственные
        • ✹ Плащи-дождевики
        • ✹ Рукавицы
        • ✹ Садовые перчатки
        • ✹ Шапки
        ✹ Опрыскиватели
        • ✹ Опрыскиватели аккумуляторные
        • ✹ Опрыскиватели бензиновые
        • ✹ Опрыскиватели ручные
        ✹ Парники, теплицы
        • ✹ Комплектующие к парникам
        • ✹ Парники
        ✹ Пленки, укрывные материалы
        • ✹ Защита
        • ✹ Колышки
        • ✹ Пленка
        • ✹ Укрывной материал
        ✹ Плоскорезы ✹ Приготовление пищи
        • ✹ Аксессуары
        • ✹ Барбекю
        • ✹ Коптильни
        • ✹ Мангалы
        • ✹ Решетки-гриль
        • ✹ Топливо
        • ✹ Шампуры
        ✹ Приспособления для рассады
        ✹ Разбрасыватели удобрений ✹ Садовые аксессуары ✹ Садовые ограждения
        • ✹ Арки садовые
        • ✹ Бордюрные ленты
        • ✹ Бордюры садовые
        • ✹ Заборы декоративные
        • ✹ Кустодержатели
        • ✹ Опоры для поддержки веток деревьев
        • ✹ Опоры для растений
        • ✹ Опоры для цветов
        • ✹ Поддержки для растений
        • ✹ Решетки заборные
        • Показать все
        ✹ Секаторы
        • ✹ Для топиария и бонсай
        • ✹ Прививочные
        • ✹ Секаторы аккумуляторные
        • ✹ Цветочные
        ✹ Серпы ✹ Сетки газонные ✹ Сеялки ✹ Скарификаторы ✹ Скобы для тапенеров ✹ Снегоуборочный инвентарь
        • ✹ Водосгоны для пола
        • ✹ Движки, скреперы
        • ✹ Ледорубы, скребки
        • ✹ Лопаты снеговые автомобильные
        • ✹ Лопаты снеговые без черенка
        • ✹ Лопаты снеговые с черенком
        ✹ Сучкорезы
        • ✹ Прямого реза
        • ✹ С наковальней
        • ✹ Штанговые
        ✹ Таймеры для полива ✹ Тапенеры ✹ Тачки, тележки, носилки
        • ✹ Колеса и камеры для тачки
        • ✹ Носилки
        • ✹ Тачки
        • ✹ Тележки
        ✹ Товары для пикника
        • ✹ Аккумуляторы холода
        • ✹ Бутылки
        • ✹ Наборы посуды
        • ✹ Стаканы
        • ✹ Термосумки
        ✹ Триммеры
        • ✹ Аксессуары для триммеров
        • ✹ Диски для триммеров
        • ✹ Катушки для триммеров
        • ✹ Леска для триммеров
        • ✹ Триммеры аккумуляторные
        • ✹ Триммеры бензиновые
        • ✹ Триммеры электрические
        ✹ Умывальники ✹ Цветочные горшки ✹ Черенки, рукоятки
        • ✹ Рукоятки
        • ✹ Черенки без резьбы
        • ✹ Черенки с резьбой
        ✹ Шланги, катушки
        • ✹ Катушки для шлангов
        • ✹ Шланги
      • ✹ Инструменты
        ✹ Автомобильный инструмент
        • ✹ Аксессуары автомобильные
          • ✹ Антибуксы
          • ✹ Ареометры
          • ✹ Воронки
          • ✹ Держатели телефонов и планшетов
          • ✹ Канистры для топлива
          • ✹ Пакеты для шин
          • ✹ Провода стартовые
          • ✹ Резинки багажные
          • ✹ Ремни багажные
          • ✹ Салфетки и губки
          • ✹ Тросы буксировочные
          • ✹ Удобства в автомобиле
          • ✹ Щетки стеклоочистителя
        • ✹ Домкраты
          • ✹ Домкраты гидравлические бутылочные
          • ✹ Домкраты гидравлические подкатные
          • ✹ Домкраты механические бутылочные
          • ✹ Домкраты реечные
          • ✹ Домкраты ромбовые
          • ✹ Домкраты электрогидравлические
        • ✹ Компрессоры автомобильные
        • ✹ Лебедки автомобильные
        • ✹ Масленки
        • ✹ Мебель гаражная
        • ✹ Насосы гидравлические
        • ✹ Пневмоинструмент
          • ✹ Гайковерты пневматические
          • ✹ Дрели пневматические
          • ✹ Заклепочники пневматические
          • ✹ Краскораспылители
          • ✹ Молотки пневматические
          • ✹ Нейлеры пневматические
          • ✹ Пистолеты пневматические
          • ✹ Пневмоинструмент (аксессуары)
          • ✹ Степлеры пневматические
          • ✹ Трещотки пневматические
          • ✹ Хоппер ковши
          • ✹ Шлифовальные машины
          • ✹ Шуруповерты пневматические
        • ✹ Поддоны для сбора масла
        • ✹ Подставки под машину регулируемые
        • Показать все
        ✹ Измерительный инструмент
        • ✹ Гидроуровни
        • ✹ Дальномеры
        • ✹ Измерительные колеса
        • ✹ Линейки
        • ✹ Микрометры
        • ✹ Рулетки
        • ✹ Рулетки геодезические
        • ✹ Угольники
        • ✹ Уровни
          • ✹ Уровни алюминиевые
          • ✹ Уровни пластмассовые
        • ✹ Уровни лазерные
          • ✹ Аксессуары для лазерных уровней
        • Показать все
        ✹ Крепежный инструмент
        • ✹ Гвозди для мебельного степлера
        • ✹ Дюбели
        • ✹ Дюбель-гвозди
        • ✹ Заклепки
        • ✹ Заклепочники
        • ✹ Крепеж перфорированный
          • ✹ Анкеры регулируемые
          • ✹ Кляймеры
          • ✹ Крабы соединительные
          • ✹ Ленты
          • ✹ Мебельный крепеж
          • ✹ Опоры бруса
          • ✹ Пластины
          • ✹ Подвесы
          • ✹ Проушины прямы
          • ✹ Проушины угловые
          • ✹ Уголки
        • ✹ Кронштейны
          • ✹ Кронштейны декоративные
          • ✹ Кронштейны угловые
          • ✹ Кронштейны усиленные
        • ✹ Наборы крепежных изделий
        • ✹ Проволока
          • ✹ Проволока из нержавеющей стали
          • ✹ Проволока с ПВХ покрытием
          • ✹ Проволока стальная оцинкованная
        • ✹ Саморезы
        • Показать все
        ✹ Отделочный инструмент
        • ✹ Аксессуары для плиткорезов
        • ✹ Валики
          • ✹ Бюгели
          • ✹ Валики игольчатые
          • ✹ Валики прижимные
          • ✹ Валики с ручкой
          • ✹ Шубки для валиков
        • ✹ Ведра строительные
        • ✹ Гладилки
        • ✹ Захваты строительные
        • ✹ Инструмент для затирки швов
        • ✹ Инструмент для нанесения декоративных покрытий
        • ✹ Инструмент по газо и пенобетону
        • ✹ Инструмент по гипсокартону
        • ✹ Карандаши строительные
        • Показать все
        ✹ Прочий инструмент
        • ✹ Горелки газовые
        • ✹ Замки
          • ✹ Навесные
          • ✹ Накладные и врезные
          • ✹ Тросовые и цепные
        • ✹ Изделия канатно-веревочные
          • ✹ Веревки
          • ✹ Канаты
          • ✹ Наборы шпагатов
          • ✹ Нити
          • ✹ Фалы
          • ✹ Шнуры
          • ✹ Шпагаты
        • ✹ Инструмент для пайки
          • ✹ Выжигатели по дереву
          • ✹ Материалы и принадлежности для пайки
          • ✹ Наборы для пайки
          • ✹ Наборы пинцетов
          • ✹ Пасты
          • ✹ Паяльники электрические
          • ✹ Припой
        • ✹ Инструмент для прочистки труб
        • ✹ Клеевые пистолеты
        • ✹ Клеевые стержни
        • ✹ Лампы паяльные, керосиновые
        • ✹ Лестницы
        • ✹ Лупы
        • Показать все
        ✹ Режущий инструмент
        • ✹ Болторезы и труборезы
          • ✹ Болторезы
          • ✹ Труборезы
        • ✹ Буры и насадки для перфоратора
          • ✹ Буры
          • ✹ Коронки
          • ✹ Насадки
        • ✹ Диски алмазные отрезные
        • ✹ Диски пильные
        • ✹ Диски универсальные
        • ✹ Круги и диски абразивные
          • ✹ Круги абразивные на ворсовой подложке
          • ✹ Круги и диски полировальные
          • ✹ Круги лепестковые радиальные (с оправкой)
          • ✹ Круги лепестковые торцевые
          • ✹ Круги отрезные и зачистные армированные
          • ✹ Круги шлифовальные гибкие
          • ✹ Круги шлифовальные для точила
          • ✹ Треугольники абразивные на ворсовой подложке
        • ✹ Ленты абразивные (для шлифмашин)
        • ✹ Насадки для многофункционального инструмента (МФИ)
        • ✹ Ножи
          • ✹ Лезвия для ножей
          • ✹ Ножи для резки напольных покрытий
          • ✹ Ножи для резки обоев
          • ✹ Ножи для резки теплоизоляции
          • ✹ Ножи кухонные
          • ✹ Ножи строительные
          • ✹ Ножи туристические
        • ✹ Ножи для электрических рубанков
        • Показать все
        ✹ Силовое оборудование
        • ✹ Аккумуляторный инструмент
          • ✹ Батареи аккумуляторные
          • ✹ Гайковерты ударные аккумуляторные
          • ✹ Дрели-шуруповерты аккумуляторные
          • ✹ Зарядные устройства
          • ✹ Лобзики аккумуляторные
          • ✹ Машинки для укладки плитки
          • ✹ МФИ аккумуляторные
          • ✹ Отвертки аккумуляторные
          • ✹ Перфораторы аккумуляторные
          • ✹ Сабельные пилы аккумуляторные
          • ✹ УШМ аккумуляторные
          • ✹ Циркулярные пилы аккумуляторные
          • ✹ Шлифовальные машины аккумуляторные
        • ✹ Аксессуары для бензорезов
        • ✹ Аксессуары для бетоносмесителей
          • ✹ Венцы
          • ✹ Ремни
          • ✹ Чехлы
          • ✹ Шестерни
        • ✹ Аксессуары для виброплит
        • ✹ Аксессуары для генераторов
        • ✹ Аксессуары для измельчителей садовых
          • ✹ Ножи сменные
        • ✹ Аксессуары для моечных машин высокого давления
        • ✹ Аксессуары для мотобуров
          • ✹ Удлинители для шнеков
          • ✹ Шнеки
        • ✹ Аксессуары для насосов
        • ✹ Аксессуары для сварки
          • ✹ Горелки сварочные
          • ✹ Держатели электродов
          • ✹ Клеммы
          • ✹ Наконечники токосъемные
          • ✹ Подающие ролики
          • ✹ Сопла газовые
          • ✹ Фиксаторы магнитные
          • ✹ Цангодержатели
          • ✹ Электроды
        • Показать все
        ✹ Слесарный инструмент
        • ✹ Биты
          • ✹ Адаптеры и переходники
          • ✹ Биты наборы
          • ✹ Биты с торцевыми головками
        • ✹ Бокорезы, кусачки
        • ✹ Воротки, удлинители, переходники
          • ✹ Воротки
          • ✹ Переходники
          • ✹ Шарниры карданные
        • ✹ Выколотки
        • ✹ Головки сменные
          • ✹ Головки многоразмерные
          • ✹ Головки с битой
          • ✹ Головки свечные
          • ✹ Головки торцевые
          • ✹ Головки ударные
          • ✹ Головки удлиненные
        • ✹ Длинногубцы
          • ✹ Длинногубцы изогнутые
          • ✹ Длинногубцы прямые
          • ✹ Длинногубцы, двойной рычажный механизм
        • ✹ Зажимы с фиксатором
        • ✹ Зубила
        • ✹ Инструменты для зачистки и обжима
        • ✹ Киянки
          • ✹ Киянки деревянные
          • ✹ Киянки резиновые
        • Показать все
        ✹ Столярный инструмент
        • ✹ Верстаки
        • ✹ Долота и стамески
          • ✹ Долота-стамески
          • ✹ Долота-стамески наборы
          • ✹ Стамески
          • ✹ Стамески наборы
        • ✹ Кирки
        • ✹ Ломы и гвоздодеры
          • ✹ Гвоздодеры
          • ✹ Ломы строительные
        • ✹ Ножовки
          • ✹ Ножовки по гипсокартону
          • ✹ Ножовки по дереву
          • ✹ Ножовки по пенобетону
        • ✹ Пилы
        • ✹ Резцы по дереву
        • ✹ Струбцины
          • ✹ Струбцины F-образные
          • ✹ Струбцины G-образные
          • ✹ Струбцины клещеобразные
          • ✹ Струбцины ленточные
          • ✹ Струбцины угловые
          • ✹ Стурбцины быстрозажимные
        • ✹ Стусла
          • ✹ Пилы для стусла
          • ✹ Полотна для прецизионного стусла
          • ✹ Стусла пластиковые
          • ✹ Стусла прецизионные
        • ✹ Топоры и колуны
          • ✹ Колуны
          • ✹ Рукоятки для колунов
          • ✹ Топорища
          • ✹ Топоры
      • ✹ Комплектующие для кухни
        ✹ Бокалодержатели ✹ Выкатные корзины
        ✹ Лотки для столовых приборов ✹ Сушки для посуды
      • ✹ Товары для дома
        ✹ Декор для дома
        • Вазы
        • Предметы декора для интерьера
          • Фоторамки
          • Шкатулки и держатели для украшений
        • ✹ Аромадиффузоры и свечи
        • ✹ Искусственные цветы и сухоцветы
        • ✹ Часы
        ✹ Домашнее хранение
        • ✹ Пластиковые короба и корзины
      • ✹ Мебельная фурнитура
        Стяжки ✹ Амортизаторы и толкатели ✹ Крепежная фурнитура
        • ✹ Кронштейны для полок
        • ✹ Мебельные магниты
        ✹ Крючки мебельные
        ✹ Мебельные замки ✹ Навесы мебельные ✹ Направляющие мебельные ✹ Опоры для столов
        ✹ Опоры колесные ✹ Опоры мебельные ✹ Петли мебельные
        • ✹ Петли для стекла
        • ✹ Петли карточные
        • ✹ Петли мебельные четырехшарнирные
        • ✹ Петли секретерная
        ✹ Подъемные механизмы ✹ Ручки мебельные
        • ✹ Ручки мебельные скобы
        • ✹ Ручки мебельные-кнопки
      Каталог Поиск Корзина Корзина 00.00 р. Избранное Войти
      • WhatsApp
      Авторизация
      Забыли пароль?
      Регистрация

      Hafele

      • Главная
      • Производители
      • Hafele
      Фильтр
      0.56 - 174173.18 р. Цена
      - р.
      Наличие
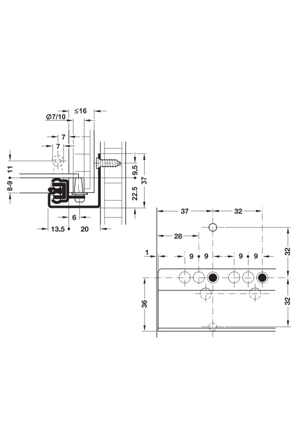
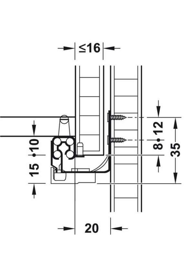
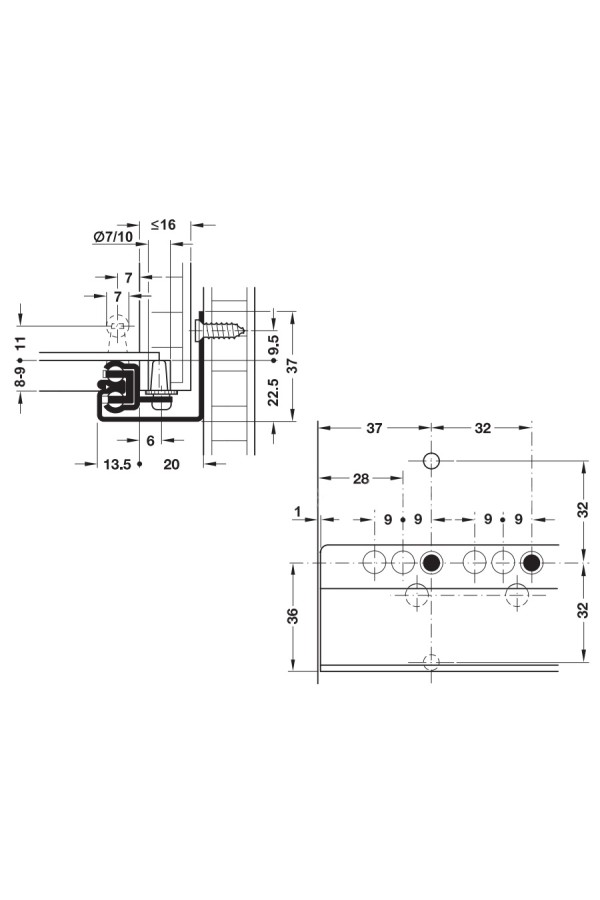
      • Направляющие роликовые 400мм белые 423.08.741 Hafele Нет в наличии Код товара: LV-49990 Направляющие роликовые 400мм белые 423.08.741 Hafele

        -13 %172.28 р. 198.78 р.

      • Направляющие роликовые 500мм оцинкованные 421.08.501 Hafele
        Направляющие роликовые 500мм оцинкованные 421.08.501 Hafele
        Направляющие роликовые 500мм оцинкованные 421.08.501 Hafele
        Нет в наличии Код товара: LV-49484 Направляющие роликовые 500мм оцинкованные 421.08.501 Hafele

        -8 %9447.27 р. 10306.12 р.

      • Направляющие роликовые 550мм белые 423.08.756 Hafele
        Направляющие роликовые 550мм белые 423.08.756 Hafele
        Направляющие роликовые 550мм белые 423.08.756 Hafele
        Нет в наличии Код товара: LV-49403 Направляющие роликовые 550мм белые 423.08.756 Hafele

        -13 %280.88 р. 324.09 р.

      • Направляющие роликовые 550мм оцинкованные 421.08.556 Hafele
        Направляющие роликовые 550мм оцинкованные 421.08.556 Hafele
        Нет в наличии Код товара: LV-49558 Направляющие роликовые 550мм оцинкованные 421.08.556 Hafele

        -8 %9814.90 р. 10707.17 р.

      • Направляющие скрытого надвижного монтажа полного выдвижения 300мм 433.10.530 Hafele
        Направляющие скрытого надвижного монтажа полного выдвижения 300мм 433.10.530 Hafele
        Направляющие скрытого надвижного монтажа полного выдвижения 300мм 433.10.530 Hafele
        Направляющие скрытого надвижного монтажа полного выдвижения 300мм 433.10.530 Hafele
        Нет в наличии Код товара: LV-49517 Направляющие скрытого надвижного монтажа полного выдвижения 300мм 433.10.530 Hafele

        -8 %2228.76 р. 2414.49 р.

      • Направляющие скрытого насадного монтажа частичного выдвижения Matrix 250мм 433.08.225 Hafele
        Направляющие скрытого насадного монтажа частичного выдвижения Matrix 250мм 433.08.225 Hafele
        Направляющие скрытого насадного монтажа частичного выдвижения Matrix 250мм 433.08.225 Hafele
        Направляющие скрытого насадного монтажа частичного выдвижения Matrix 250мм 433.08.225 Hafele
        Направляющие скрытого насадного монтажа частичного выдвижения Matrix 250мм 433.08.225 Hafele
        Направляющие скрытого насадного монтажа частичного выдвижения Matrix 250мм 433.08.225 Hafele
        Нет в наличии Код товара: LV-94015 Направляющие скрытого насадного монтажа частичного выдвижения Matrix 250мм 433.08.225 Hafele

        -14 %1100.04 р. 1283.38 р.

      • Направляющие скрытого насадного монтажа частичного выдвижения Matrix 500мм 433.08.250 Hafele
        Направляющие скрытого насадного монтажа частичного выдвижения Matrix 500мм 433.08.250 Hafele
        Направляющие скрытого насадного монтажа частичного выдвижения Matrix 500мм 433.08.250 Hafele
        Направляющие скрытого насадного монтажа частичного выдвижения Matrix 500мм 433.08.250 Hafele
        Направляющие скрытого насадного монтажа частичного выдвижения Matrix 500мм 433.08.250 Hafele
        Нет в наличии Код товара: LV-49876 Направляющие скрытого насадного монтажа частичного выдвижения Matrix 500мм 433.08.250 Hafele

        -8 %1356.29 р. 1469.31 р.

      • Направляющие скрытого насадного монтажа частичного выдвижения push to open 252мм 421.14.825 Hafele
        Направляющие скрытого насадного монтажа частичного выдвижения push to open 252мм 421.14.825 Hafele
        Направляющие скрытого насадного монтажа частичного выдвижения push to open 252мм 421.14.825 Hafele
        Нет в наличии Код товара: LV-49267 Направляющие скрытого насадного монтажа частичного выдвижения push to open 252мм 421.14.825 Hafele

        -8 %2084.70 р. 2258.43 р.

      • Направляющие скрытого насадного монтажа частичного выдвижения push to open 302мм 421.14.830 Hafele
        Направляющие скрытого насадного монтажа частичного выдвижения push to open 302мм 421.14.830 Hafele
        Направляющие скрытого насадного монтажа частичного выдвижения push to open 302мм 421.14.830 Hafele
        Нет в наличии Код товара: LV-49159 Направляющие скрытого насадного монтажа частичного выдвижения push to open 302мм 421.14.830 Hafele

        -8 %2161.93 р. 2342.09 р.

      • Направляющие скрытого насадного монтажа частичного выдвижения push to open 402мм 421.14.840 Hafele
        Направляющие скрытого насадного монтажа частичного выдвижения push to open 402мм 421.14.840 Hafele
        Направляющие скрытого насадного монтажа частичного выдвижения push to open 402мм 421.14.840 Hafele
        Нет в наличии Код товара: LV-49197 Направляющие скрытого насадного монтажа частичного выдвижения push to open 402мм 421.14.840 Hafele

        -8 %2277.60 р. 2467.40 р.

      • Направляющие скрытого насадного монтажа частичного выдвижения push to open 452мм 421.14.845 Hafele
        Направляющие скрытого насадного монтажа частичного выдвижения push to open 452мм 421.14.845 Hafele
        Направляющие скрытого насадного монтажа частичного выдвижения push to open 452мм 421.14.845 Hafele
        Нет в наличии Код товара: LV-49160 Направляющие скрытого насадного монтажа частичного выдвижения push to open 452мм 421.14.845 Hafele

        -8 %2354.82 р. 2551.06 р.

      • Направляющие скрытого насадного монтажа частичного выдвижения push to open 502мм 421.14.850 Hafele
        Направляющие скрытого насадного монтажа частичного выдвижения push to open 502мм 421.14.850 Hafele
        Направляющие скрытого насадного монтажа частичного выдвижения push to open 502мм 421.14.850 Hafele
        Нет в наличии Код товара: LV-49198 Направляющие скрытого насадного монтажа частичного выдвижения push to open 502мм 421.14.850 Hafele

        -8 %2229.34 р. 2432.00 р.

      • Направляющие скрытого насадного монтажа частичного выдвижения с доводчиком 302мм 421.14.730 Hafele
        Направляющие скрытого насадного монтажа частичного выдвижения с доводчиком 302мм 421.14.730 Hafele
        Нет в наличии Код товара: LV-49157 Направляющие скрытого насадного монтажа частичного выдвижения с доводчиком 302мм 421.14.730 Hafele

        -8 %2348.35 р. 2561.83 р.

      • Направляющие скрытого насадного монтажа частичного выдвижения с доводчиком 352мм 421.14.735 Hafele
        Направляющие скрытого насадного монтажа частичного выдвижения с доводчиком 352мм 421.14.735 Hafele
        Нет в наличии Код товара: LV-49158 Направляющие скрытого насадного монтажа частичного выдвижения с доводчиком 352мм 421.14.735 Hafele

        -8 %2699.90 р. 2945.34 р.

      • направляющие шариковые асинхронные раздвижного стола 520-1160мм, 90кг/642.69.205 Нет в наличии Код товара: LV-94082 направляющие шариковые асинхронные раздвижного стола 520-1160мм, 90кг/642.69.205

        -4 %23877.76 р. 24963.11 р.

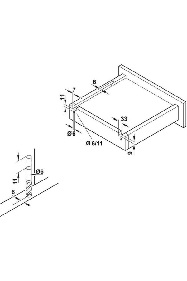
      • Направляющие шариковые полного выдвижения 250мм на 30кг 422.25.258 Hafele
        Направляющие шариковые полного выдвижения 250мм на 30кг 422.25.258 Hafele
        Направляющие шариковые полного выдвижения 250мм на 30кг 422.25.258 Hafele
        Направляющие шариковые полного выдвижения 250мм на 30кг 422.25.258 Hafele
        Нет в наличии Код товара: LV-49993 Направляющие шариковые полного выдвижения 250мм на 30кг 422.25.258 Hafele

        -8 %2012.74 р. 2180.46 р.

      • Направляющие шариковые полного выдвижения 300мм на 35кг 432.21.932 Hafele Нет в наличии Код товара: LV-49926 Направляющие шариковые полного выдвижения 300мм на 35кг 432.21.932 Hafele

        -14 %703.44 р. 820.68 р.

      • Направляющие шариковые полного выдвижения 300мм на 35кг 432.21.971 Hafele
        Направляющие шариковые полного выдвижения 300мм на 35кг 432.21.971 Hafele
        Направляющие шариковые полного выдвижения 300мм на 35кг 432.21.971 Hafele
        Направляющие шариковые полного выдвижения 300мм на 35кг 432.21.971 Hafele
        Направляющие шариковые полного выдвижения 300мм на 35кг 432.21.971 Hafele
        Нет в наличии Код товара: LV-49962 Направляющие шариковые полного выдвижения 300мм на 35кг 432.21.971 Hafele

        -14 %809.86 р. 944.83 р.

      • Направляющие шариковые полного выдвижения 45*550мм 432.21.957 Hafele
        Направляющие шариковые полного выдвижения 45*550мм 432.21.957 Hafele
        Направляющие шариковые полного выдвижения 45*550мм 432.21.957 Hafele
        Направляющие шариковые полного выдвижения 45*550мм 432.21.957 Hafele
        Нет в наличии Код товара: LV-49324 Направляющие шариковые полного выдвижения 45*550мм 432.21.957 Hafele

        -14 %949.97 р. 1108.30 р.

      • Направляющие шариковые полного выдвижения 450мм на 150кг 422.22.453 Hafele
        Направляющие шариковые полного выдвижения 450мм на 150кг 422.22.453 Hafele
        Направляющие шариковые полного выдвижения 450мм на 150кг 422.22.453 Hafele
        Нет в наличии Код товара: LV-49180 Направляющие шариковые полного выдвижения 450мм на 150кг 422.22.453 Hafele

        -4 %15093.88 р. 15779.97 р.

      • Направляющие шариковые полного выдвижения 450мм на 30кг 422.30.945 Hafele
        Направляющие шариковые полного выдвижения 450мм на 30кг 422.30.945 Hafele
        Направляющие шариковые полного выдвижения 450мм на 30кг 422.30.945 Hafele
        Направляющие шариковые полного выдвижения 450мм на 30кг 422.30.945 Hafele
        Нет в наличии Код товара: LV-94128 Направляющие шариковые полного выдвижения 450мм на 30кг 422.30.945 Hafele

        -8 %2455.21 р. 2678.41 р.

      • Направляющие шариковые полного выдвижения 450мм на 45кг 432.21.974 Hafele Нет в наличии Код товара: LV-49924 Направляющие шариковые полного выдвижения 450мм на 45кг 432.21.974 Hafele

        -8 %1214.72 р. 1315.95 р.

      • Направляющие шариковые полного выдвижения 55,8*700мм на 129кг 420.72.871 Hafele
        Направляющие шариковые полного выдвижения 55,8*700мм на 129кг 420.72.871 Hafele
        Направляющие шариковые полного выдвижения 55,8*700мм на 129кг 420.72.871 Hafele
        Нет в наличии Код товара: LV-49546 Направляющие шариковые полного выдвижения 55,8*700мм на 129кг 420.72.871 Hafele

        -8 %10297.66 р. 11233.81 р.

      • Направляющие шариковые полного выдвижения 550мм на 118кг 420.72.856 Hafele
        Направляющие шариковые полного выдвижения 550мм на 118кг 420.72.856 Hafele
        Направляющие шариковые полного выдвижения 550мм на 118кг 420.72.856 Hafele
        Нет в наличии Код товара: LV-94120 Направляющие шариковые полного выдвижения 550мм на 118кг 420.72.856 Hafele

        -8 %9000.22 р. 9818.42 р.

      • Направляющие шариковые полного выдвижения 800мм на 219кг 420.76.981 Hafele
        Направляющие шариковые полного выдвижения 800мм на 219кг 420.76.981 Hafele
        Направляющие шариковые полного выдвижения 800мм на 219кг 420.76.981 Hafele
        Направляющие шариковые полного выдвижения 800мм на 219кг 420.76.981 Hafele
        Нет в наличии Код товара: LV-49828 Направляющие шариковые полного выдвижения 800мм на 219кг 420.76.981 Hafele

        -4 %30088.62 р. 31456.28 р.

      • Направляющие шариковые полного выдвижения с доводчиком 450мм на 45кг 432.23.946 Hafele
        Направляющие шариковые полного выдвижения с доводчиком 450мм на 45кг 432.23.946 Hafele
        Направляющие шариковые полного выдвижения с доводчиком 450мм на 45кг 432.23.946 Hafele
        Направляющие шариковые полного выдвижения с доводчиком 450мм на 45кг 432.23.946 Hafele
        Нет в наличии Код товара: LV-49987 Направляющие шариковые полного выдвижения с доводчиком 450мм на 45кг 432.23.946 Hafele

        -4 %11725.67 р. 12258.66 р.

      • Натяжной запор 104мм для раздвижных столов 380.52.925 Hafele
        Натяжной запор 104мм для раздвижных столов 380.52.925 Hafele
        Нет в наличии Код товара: LV-49599 Натяжной запор 104мм для раздвижных столов 380.52.925 Hafele

        -13 %251.16 р. 289.80 р.

      • Ограничитель раскрытия двери 200мм пластик белый 366.73.702 Hafele
        Ограничитель раскрытия двери 200мм пластик белый 366.73.702 Hafele
        Ограничитель раскрытия двери 200мм пластик белый 366.73.702 Hafele
        Ограничитель раскрытия двери 200мм пластик белый 366.73.702 Hafele
        Нет в наличии Код товара: LV-49863 Ограничитель раскрытия двери 200мм пластик белый 366.73.702 Hafele

        -19 %125.79 р. 154.82 р.

      • Ограничитель раскрытия двери цепочка 200мм латунь никелированная 372.35.653 Hafele
        Ограничитель раскрытия двери цепочка 200мм латунь никелированная 372.35.653 Hafele
        Ограничитель раскрытия двери цепочка 200мм латунь никелированная 372.35.653 Hafele
        Ограничитель раскрытия двери цепочка 200мм латунь никелированная 372.35.653 Hafele
        Нет в наличии Код товара: LV-49969 Ограничитель раскрытия двери цепочка 200мм латунь никелированная 372.35.653 Hafele

        -8 %3145.44 р. 3431.39 р.

      • Опора винтовая регулируемая М10*100мм 637.30.941 Hafele
        Опора винтовая регулируемая М10*100мм 637.30.941 Hafele
        Опора винтовая регулируемая М10*100мм 637.30.941 Hafele
        Нет в наличии Код товара: LV-94012 Опора винтовая регулируемая М10*100мм 637.30.941 Hafele

        -13 %415.21 р. 479.09 р.

      • Опора винтовая регулируемая М8*45мм 637.05.001 Hafele
        Опора винтовая регулируемая М8*45мм 637.05.001 Hafele
        Опора винтовая регулируемая М8*45мм 637.05.001 Hafele
        Нет в наличии Код товара: LV-49704 Опора винтовая регулируемая М8*45мм 637.05.001 Hafele

        -19 %112.46 р. 138.42 р.

      • Опора винтовая регулируемый М10*90мм оцинкованная 637.02.036 Hafele
        Опора винтовая регулируемый М10*90мм оцинкованная 637.02.036 Hafele
        Нет в наличии Код товара: LV-49706 Опора винтовая регулируемый М10*90мм оцинкованная 637.02.036 Hafele

        -13 %193.77 р. 223.58 р.

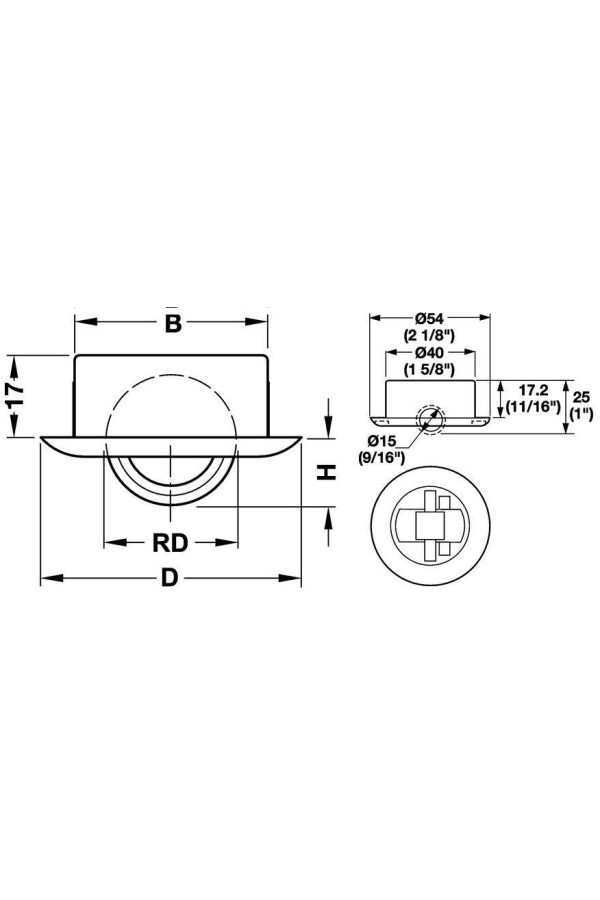
      • Опора колесная поворотная 54мм под запрессовку черная 661.04.318 Hafele
        Опора колесная поворотная 54мм под запрессовку черная 661.04.318 Hafele
        Нет в наличии Код товара: LV-49452 Опора колесная поворотная 54мм под запрессовку черная 661.04.318 Hafele

        -13 %442.44 р. 510.51 р.

      • Опора колесная поворотная 54мм под запрессовку черная 661.04.340 Hafele
        Опора колесная поворотная 54мм под запрессовку черная 661.04.340 Hafele
        Опора колесная поворотная 54мм под запрессовку черная 661.04.340 Hafele
        Нет в наличии Код товара: LV-49293 Опора колесная поворотная 54мм под запрессовку черная 661.04.340 Hafele

        -13 %550.25 р. 634.91 р.

      • Опора колесная прямоход 31мм под запрессовку черная 661.05.314 Hafele
        Опора колесная прямоход 31мм под запрессовку черная 661.05.314 Hafele
        Нет в наличии Код товара: LV-49827 Опора колесная прямоход 31мм под запрессовку черная 661.05.314 Hafele

        -13 %597.97 р. 689.97 р.

      • Опора колесная прямоход 36мм под запрессовку черная 661.05.330 Hafele
        Опора колесная прямоход 36мм под запрессовку черная 661.05.330 Hafele
        Нет в наличии Код товара: LV-49947 Опора колесная прямоход 36мм под запрессовку черная 661.05.330 Hafele

        -13 %430.60 р. 496.85 р.

      • Опора колесная прямоход 50мм серый 663.07.910 Hafele
        Опора колесная прямоход 50мм серый 663.07.910 Hafele
        Опора колесная прямоход 50мм серый 663.07.910 Hafele
        Нет в наличии Код товара: LV-49453 Опора колесная прямоход 50мм серый 663.07.910 Hafele

        -8 %1813.57 р. 1964.70 р.

      • Опора кухонная регулируемая 100-120мм сталь 637.19.219 Hafele
        Опора кухонная регулируемая 100-120мм сталь 637.19.219 Hafele
        Нет в наличии Код товара: LV-94084 Опора кухонная регулируемая 100-120мм сталь 637.19.219 Hafele

        -14 %1066.69 р. 1244.47 р.

      • Опора кухонная регулируемая AXILO 125мм 637.76.354 Hafele
        Опора кухонная регулируемая AXILO 125мм 637.76.354 Hafele
        Опора кухонная регулируемая AXILO 125мм 637.76.354 Hafele
        Опора кухонная регулируемая AXILO 125мм 637.76.354 Hafele
        Нет в наличии Код товара: LV-49851 Опора кухонная регулируемая AXILO 125мм 637.76.354 Hafele

        -13 %172.04 р. 198.51 р.

      • Опора кухонная регулируемая AXILO 150мм 637.76.355 Hefele
        Опора кухонная регулируемая AXILO 150мм 637.76.355 Hefele
        Нет в наличии Код товара: LV-49741 Опора кухонная регулируемая AXILO 150мм 637.76.355 Hefele

        -13 %181.13 р. 209.00 р.

      • Опорный треугольник для раздвижных столов 642.48.513 Hafele
        Опорный треугольник для раздвижных столов 642.48.513 Hafele
        Нет в наличии Код товара: LV-49283 Опорный треугольник для раздвижных столов 642.48.513 Hafele

        -19 %94.39 р. 116.18 р.

      • Ось для лепесткового "волшебного угла" 600-750мм 541.32.700 Hafele Нет в наличии Код товара: LV-49869 Ось для лепесткового "волшебного угла" 600-750мм 541.32.700 Hafele

        -4 %11320.85 р. 11835.43 р.

      • Ответная планка для замка 60х13мм 239.05.704 Hafele
        Ответная планка для замка 60х13мм 239.05.704 Hafele
        Ответная планка для замка 60х13мм 239.05.704 Hafele
        Нет в наличии Код товара: LV-94057 Ответная планка для замка 60х13мм 239.05.704 Hafele

        -19 %36.84 р. 45.34 р.

      • Ответная часть защелки мебельной Mini Latch белая 245.54.790 Hafele
        Ответная часть защелки мебельной Mini Latch белая 245.54.790 Hafele
        Ответная часть защелки мебельной Mini Latch белая 245.54.790 Hafele
        Нет в наличии Код товара: LV-49628 Ответная часть защелки мебельной Mini Latch белая 245.54.790 Hafele

        -19 %42.45 р. 52.24 р.

      • Ответная часть мебельной защелки Mini Latch 245.54.090 Hafele
        Ответная часть мебельной защелки Mini Latch 245.54.090 Hafele
        Ответная часть мебельной защелки Mini Latch 245.54.090 Hafele
        Ответная часть мебельной защелки Mini Latch 245.54.090 Hafele
        Нет в наличии Код товара: LV-94070 Ответная часть мебельной защелки Mini Latch 245.54.090 Hafele

        -13 %219.39 р. 253.14 р.

      • Панельная часть стяжки Keku c фиксацией черная 262.49.356 Hafele
        Панельная часть стяжки Keku c фиксацией черная 262.49.356 Hafele
        Панельная часть стяжки Keku c фиксацией черная 262.49.356 Hafele
        Панельная часть стяжки Keku c фиксацией черная 262.49.356 Hafele
        Нет в наличии Код товара: LV-49952 Панельная часть стяжки Keku c фиксацией черная 262.49.356 Hafele

        -19 %71.71 р. 88.26 р.

      • Передняя панель внутреннего ящика Matrix Box 600мм серебристый 551.61.911 Hafele
        Передняя панель внутреннего ящика Matrix Box 600мм серебристый 551.61.911 Hafele
        Нет в наличии Код товара: LV-49819 Передняя панель внутреннего ящика Matrix Box 600мм серебристый 551.61.911 Hafele

        -8 %4656.77 р. 5080.12 р.

      • Передняя панель внутреннего ящика Moovit 488мм серебристый 553.61.211 Hafele
        Передняя панель внутреннего ящика Moovit 488мм серебристый 553.61.211 Hafele
        Нет в наличии Код товара: LV-49552 Передняя панель внутреннего ящика Moovit 488мм серебристый 553.61.211 Hafele

        -8 %1825.55 р. 1977.68 р.

      • |<
      • <
      • 10
      • 11
      • 12
      • 13
      • 14
      • 15
      • 16
      • 17
      • 18
      • >
      • >|
      Показать больше
      Выберите обязательные опции

      Мы используем файлы cookie и другие средства сохранения предпочтений и анализа действий посетителей сайта. Подробнее в Условия соглашения. Нажмите «Принять», если даете согласие на это.

      Принять
      MFT24



      2025

      Поддержка
      • 8-800-700-65-88
      • Обратный звонок
        Заказать обратный звонок
        Нажимая на кнопку «Отправить», Вы даете согласие на обработку персональных данных.

      Мы работаем для вас ежедневно:

      ПН: 9:00 - 18:00

      ВТ: 9:00 - 18:00

      СР: 9:00 - 18:00

      ЧТ: 9:00 - 18:00

      ПТ: 9:00 - 18:00

      СБ: 9:00 - 18:00

      ВС: 9:00 - 18:00

      Без перерывов на обед и выходных дней!

      Электронная почта
      info@mft-group.ru
      Адрес магазина
      г.Москва Мкад 23км влд10
      Мы в сети
      Подписаться на рассылку за 100 бонусов

      Мы не будем присылать вам спам. Только скидки и выгодные предложения

      Нажимая на кнопку «Подписаться», Вы даете согласие на обработку персональных данных.
      MFT24

      , 2025

      Ваш город: Не определено
      Владивосток
      Волгоград
      Воронеж
      Екатеринбург
      Казань
      Красноярск
      Москва
      Нижний Новгород
      Новосибирск
      Омск
      Пермь
      Ростов-на-Дону
      Самара
      Санкт-Петербург
      Саратов
      Уфа
      Хабаровск
      Челябинск