
Для откидных створок из древесины или алюминиевых рам.
(При опциональной установке адаптера для крепления к алюминиевым рамам - арт. Лавра 49521).
Синхронизирующую штангу и фиксаторы приобретайте ОТДЕЛЬНО!
Штанга - арт. Лавра - 49606
Фиксатор штанги - арт. Лавра 49679
Цвет: белый
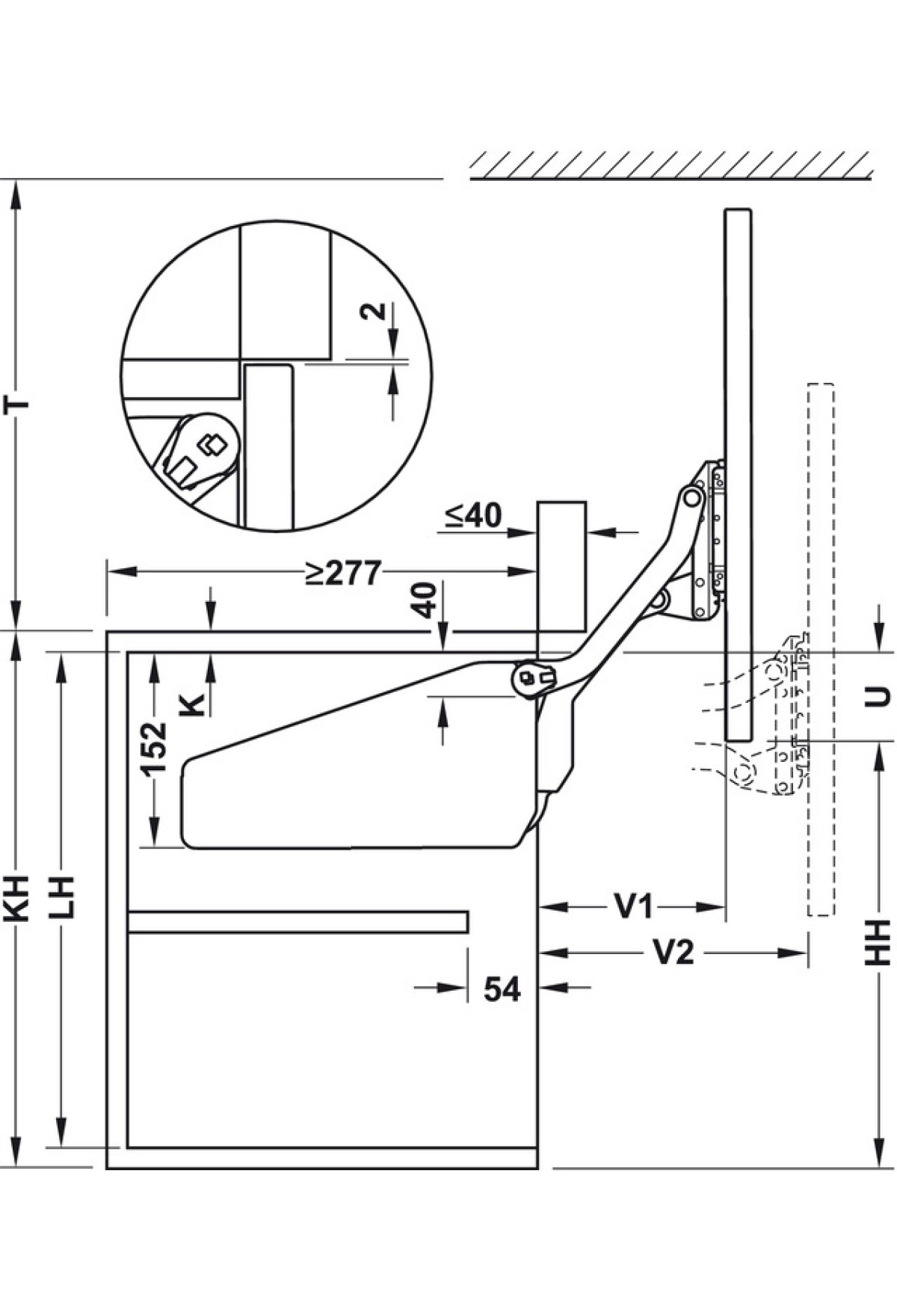
Подъемник FREE UP разработан для параллельного подъема фасада вверх, не требует места перед шкафом. Применяется для шкафов высотой 420 и глубиной 345 мм., Выдерживает нагрузку до 4,1-8,0 кг. Регулирование происходит по высоте ± 1,5 мм, угол наклона ± 1,5 °.
Артикул | 49257 |
---|
Бренд | Hafele |
---|
Материал изделия | Сталь |
---|---|
Материал фасада | Древесные материалы |
Плавное закрывание (Подъемные механизмы) | С доводчиком |
Под заказ | Да |
Система | Free up |
Тип открывания (Подъемные механизмы) | Параллельный подъем фасада |
тип товара (общий) | Подъемный механизм |
Тип товара (Подъемные механизмы) | Подъемник |
Цвет (Подъемные механизмы) | Белый |
-
На данный товар ещё нет отзывов.
-
Еще не было вопросов