Комплект Free fold short модель G3fs
Для откидных створок из древесины или алюминиевых рам.
(При опциональной установке адаптера для крепления к алюминиевым рамам - арт. Лавра 49521).
Для высоты створок: 710-790 мм
Вес створок:3,6-6,2 кг
БЕЗ заглушек
Доводчик: встроенный демпфлер
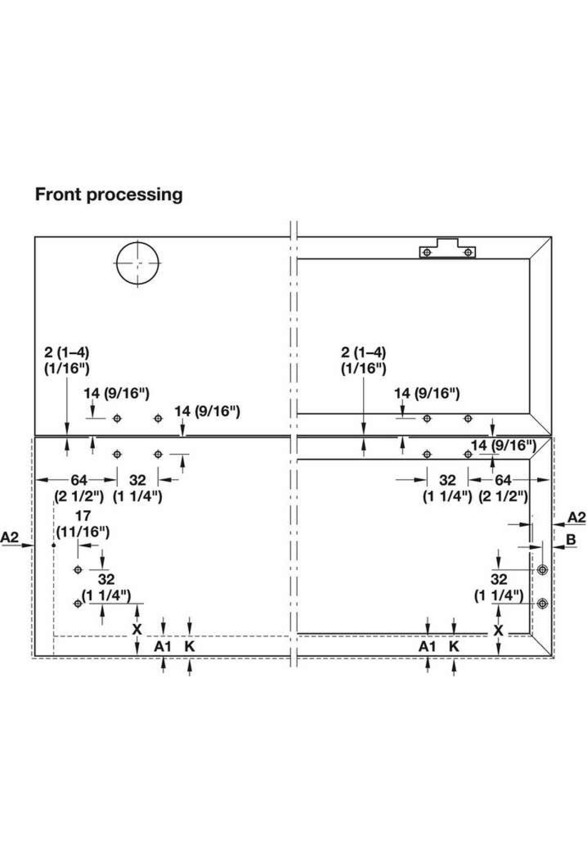
Монтаж: при помощи базировочных штифтов, предустановленных шурупов и быстросъемного фасада
Возможность настройки: по высоте / сторонам / наклону фасада
Для грамотной установки подъемного механизма Free fold необходимо использовать петли с углом открывания 120гр 2шт и центральные петли 2шт.
Приобретайте петли ОТДЕЛЬНО!
Петля 120 градусов - арт. Лавра 49795.
Монтажная планка Н=0 - арт. Лавра 49380.
Монтажная планка Н=2 - арт. Лавра 49922.
Петля центральная для складных дверей - арт. Лавра - 49066.
-
На данный товар ещё нет отзывов.
-
Еще не было вопросов

